0102030405
ER Collet MPM-EC0070
መግለጫ
የ ER ኮሌታ እንዲለጠጥ ለማድረግ 16 ማስገቢያዎች ያሉት ሲሆን ሁለቱም ኮሌት እና የመቆለፊያ ነት 16 ዲግሪ ቴፐር አላቸው። በሚሠራበት ጊዜ፣ በሚሠራበት ጊዜ ቴፐር የ ER colletን በመጭመቅ የመለጠጥ ቅርጽ እንዲይዝ ያደርገዋል፣ በዚህም የመቆንጠጫ ቀዳዳውን በማጥበብ እና መሳሪያውን ደህንነቱ በተጠበቀ ሁኔታ ይጨመቃል።
ቁሳቁሱን በሚመለከት በማቀነባበሪያ ቴክኖሎጂ መሰረት ኮሌታውን ተስማሚ በሆነ ጥንካሬ መምረጥ ያስፈልጋል. ለምሳሌ፣ ከጠንካራ ቁሶች ጋር በሚገናኝበት ጊዜ፣ ከ42CrMo የተሰራ ኮሌት ከከፍተኛ ጥንካሬ ጋር መመረጥ አለበት፣ለተለመደው የጠንካራነት መስፈርቶች የፀደይ ብረት መጠቀም ይቻላል።
ባህሪያት
1.Large clamping force የሂደቱን መረጋጋት የሚያረጋግጥ መሳሪያውን ወይም የስራ ክፍሉን በጥብቅ ማስተካከልን ያረጋግጣል.
እንደ ER32 chuck ያሉ 2.A ሰፊ የመቆንጠጥ መጠን ከ3-20ሚሜ መሳሪያዎችን መያዝ ይችላል.
3.High precision, ትንሽ ራዲያል runout, የማሽን ትክክለኛነት ማረጋገጥ ይችላሉ.
4.ቀላል መዋቅሩ ምቹ እና ፈጣን ጭነት እና መሳሪያዎችን ያመቻቻል, በዚህም የስራ ቅልጥፍናን ያሻሽላል.
እንደ ER32 chuck ያሉ 2.A ሰፊ የመቆንጠጥ መጠን ከ3-20ሚሜ መሳሪያዎችን መያዝ ይችላል.
3.High precision, ትንሽ ራዲያል runout, የማሽን ትክክለኛነት ማረጋገጥ ይችላሉ.
4.ቀላል መዋቅሩ ምቹ እና ፈጣን ጭነት እና መሳሪያዎችን ያመቻቻል, በዚህም የስራ ቅልጥፍናን ያሻሽላል.
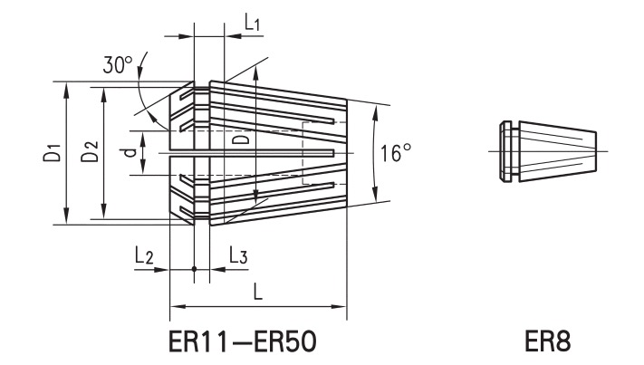
መለኪያ

| ሞዴል ቁጥር. | d H7 | ዲ | D1 | D2 | ኤል | L1 | L2 | L3 | ሊሰበሰብ የሚችል አቅም |
| ER8 | ≥1.0 ~ 5.0 | 8 | 8.45 | 6.5 | 13.5 | 2.98 | 1.5 | 1.2 | 0.5 |
| ER11 | ≥1.0 ~ 7.0 | 11 | 11.5 | 9.5 | 18.0 | 3.80 | 2.5 | 2.0 | 0.5 |
| ER16 | ≥1.0 ~ 2.5 | 16 | 17 | 13.8 | 27.5 | 6.26 | 4.0 | 2.7 | 0.5 |
| > 2.5 ~ 10.0 | 16 | 17 | 13.8 | 27.5 | 6.26 | 4.0 | 2.7 | 1.0 | |
| ER20 | ≥1.0 ~ 2.5 | 20 | 21 | 17.4 | 31.5 | 6.36 | 4.8 | 2.8 | 0.5 |
| > 2.5 ~ 13.0 | 20 | 21 | 17.4 | 31.5 | 6.36 | 4.8 | 2.8 | 1.0 | |
| ER25 | 21.0 ~ 2.5 | 25 | 26 | 22.0 | 34.0 | 6.66 | 5.0 | 3.1 | 0.5 |
| > 2.5 ~ 16.0 | 25 | 20 | 22.0 | 34.0 | 6.66 | 5.0 | 3.1 | 1.0 | |
| ER32 | ≥2.0 ~ 2.5 | 32 | 33 | 29.2 | 40.0 | 7.16 | 5.5 | 3.5 | 0.5 |
| > 2.5 ~ 20.0 | 32 | 33 | 29.2 | 40.0 | 7.16 | 5.5 | 3.6 | 1.0 | |
| ER40 | ≥3.0 ~ 26.0 | 40 | 41 | 36.2 | 46.0 | 7.66 | 1.0 | 4.1 | 1.0 |
| ER50 | ≥6.0 ~ 10.0 | 50 | 52 | 46.0 | 60.0 | 12.6 | 8.5 | 5.5 | 1.0 |
| > 10.0 ~ 34.0 | 50 | 52 | 46.0 | 60.0 | 12.6 | 8.5 | 5.5 | 2.0 |
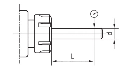
ትክክለኛነትን ለመፈተሽ መለኪያ;
| ዲ | ኤል | የሩጫ መቻቻል | ||||
| ሀ | ለ | ሲ | አይ | II | ||
| 1.0 ~ 1.6 | 6 | 0.005 | 0.008 | 0.010 | 0.010 | 0.015 |
| > 1.6 ~ 3.0 | 10 | |||||
| > 3.0 ~ 6.0 | 16 | |||||
| > 6.0 ~ 10.0 | 25 | |||||
| > 10.0 ~ 18.0 | 40 | 0.015 | 0.020 | |||
| > 18.0 ~ 26.0 | 50 | |||||
| > 26.0 ~ 30.0 | 60 | |||||
| > 30.0 ~ 34.0 | 80 | 0.020 | 0.030 | |||
የምርት ቪዲዮ
ማሸግ

አገልግሎት
Qingdao Micro Precision Machinery Co., Ltd. የሚከተሉትን የ CNC መሳሪያዎች አገልግሎቶችን ለአለም አቀፍ ደንበኞች ለብዙ አሥርተ ዓመታት ሲያቀርብ ቆይቷል።
1. የንግድ ዓይነት፡ OEM& ODM አምራች
2. DRW ቅርጸት፡ DWG፣ PDF፣ IGS፣ STEP፣ SLDPRT፣ SLDDRW፣ PRT፣ DRW፣ DXF፣ X_T፣ ወዘተ
3. የተወሰነ መጠን ከተደረሰ ማበጀትን መቀበል
4. QC ስርዓት፡ ISO9001፡ 2008
5. የእኛ ጥቅሞች:
1) አስተማማኝ ጥራት
2) ተወዳዳሪ ዋጋ
3) ከፍተኛ ትክክለኛነት ፣ ከፍተኛ ጥራት ፣ ጥብቅ መቻቻል
4) ቀጣይነት ያለው መሻሻል
5) ጉድለት-ነጻ ምርቶች
6) በሰዓቱ ማድረስ
7) የደንበኛ እርካታ
8) በጣም ጥሩ ከሽያጭ በኋላ አገልግሎት




